

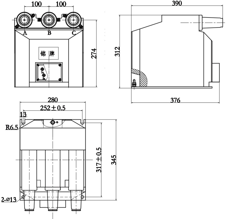
三相一體電壓互感器
產品說明:JSZV29-10/R 型電壓互感器適用于額定頻率50Hz,額定電壓為 10kV 及以下的交流線路中,作電流、電能測量和繼電保護之用。
三相一體電壓互感器
產品說明:JSZV29-10/R 型電壓互感器適用于額定頻率50Hz,額定電壓為 10kV 及以下的交流線路中,作電流、電能測量和繼電保護之用。
地址:蘇州市綠寶廣場2#6006室
電話:0512-68025806
郵箱:szkuyud@163.com
傳真:0512-65516505
郵編:215011
地址:南京市秦淮區江寧路5號
電話:025-52663658
郵箱:njkuyud@163.com
傳真:025-52663758
郵編:210006